Frequently asked questions about the single-family electric-ready requirements for the 2025 Energy Code.

The 2025 Energy Code has electric ready requirements for all newly constructed single-family buildings when certain natural gas or propane appliances are installed. Electric ready requirements apply when gas or propane appliances are installed for space or water heating, cooking, or clothes drying. Sections 150.0 (n, t, u, v) of the 2025 Energy Code specify electric ready requirements.

These requirements are mandatory but do not apply to:

  • Additions.
  • Alterations.
  • New buildings with all electric appliances installed.

Newly constructed single-family buildings meeting the following criteria will not trigger these requirements:

  • Not installing gas or propane appliances for space heating or cooking.
  • Clothes dryer locations have no gas or propane plumbing.

The goal of these requirements is to promote and advance the transition to heat pump and high-efficiency electric equipment in place of gas appliances to be more feasible and cost-effective in the future.

Section 150.0(t) specifies the electric ready requirements that apply when systems using gas or propane for space heating is installed for individual dwelling units. Heat pump space heater ready requirements are:

  • A dedicated 240V branch circuit wiring with a minimum 30-amp branch circuit conductor installed within 3 feet from the furnace and accessible with no obstructions. The blank cover shall be labeled “240V Ready.”
  • A reserved space in the main electrical service panel for a double pole circuit breaker for a future heat pump space heater installation and labeled “For Future 240V Use.”

Section 150.0(u) specifies the electric ready requirements that apply when gas or propane cooktops are installed in individual dwelling units. Electric cooktop ready requirements are:

  • A dedicated 240V branch circuit wiring with a minimum 50-amp branch circuit conductor installed within 3 feet from the cooktop and accessible with no obstructions. The blank cover shall be labeled “240V Ready.”
  • A reserved space in the main electrical service panel for a double pole circuit breaker for a future electric cooktop installation and labeled “For Future 240V Use.”

Section 150.0(v) specifies the electric ready requirements that apply when gas or propane plumbing is installed for clothes dryers that serve individual dwelling units. Electric clothes dryer ready requirements are:

  • A dedicated 240V branch circuit wiring with a minimum 30-amp branch circuit conductor installed within 3 feet from the clothes dryer location and accessible with no obstructions. The blank cover shall be labeled “240V Ready.”
  • A reserved space in the main electrical service panel for a double pole circuit breaker for a future electric clothes dryer installation and labeled “For Future 240V Use.”

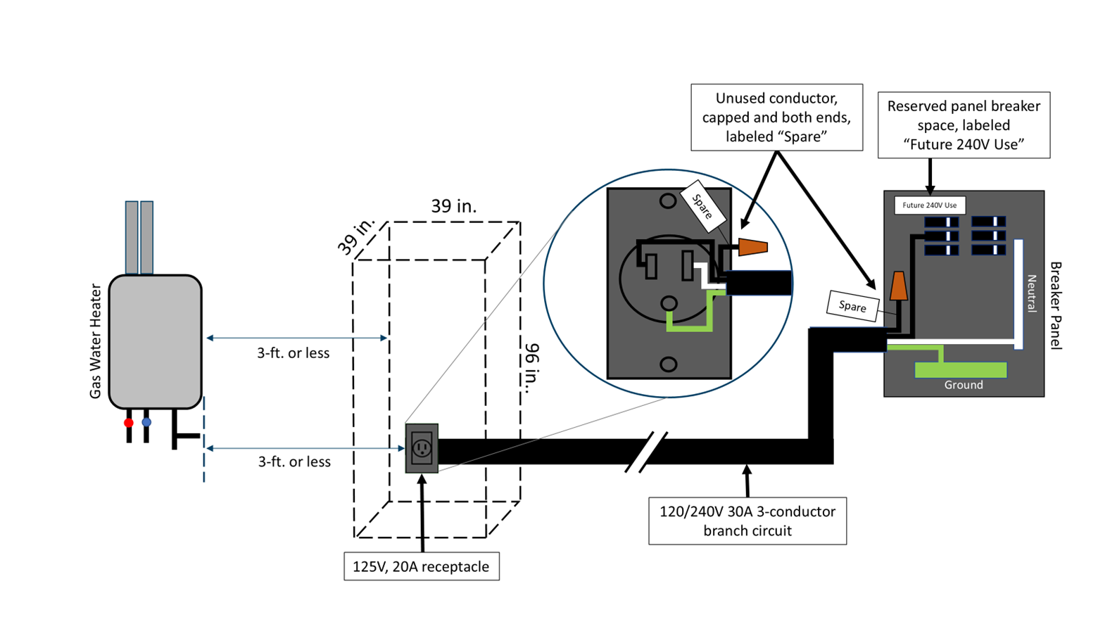
Section 150.0(n) specifies the electric-ready requirements that apply when gas or propane water heaters that serve individual units are installed. A designated space at least 2.5 feet by 2.5 feet wide and 7 feet tall must be provided for the future installation of a heat pump water heater (HPWH) and must meet these requirements:

  • A designated space within 3 feet from the water heater (See Figure 1) must include:
    • A dedicated 125V, 20-amp receptacle connected to the electric panel with a 120V/240V 3-conductor branch circuit rated at 30 amps minimum and accessible with no obstructions.
    • Both ends of the unused conductor shall be labeled with the word “Spare” and be electrically isolated.
    • A reserved space for a single pole circuit breaker in the electrical panel adjacent to the circuit breaker for the 125V, 20-amp electrical receptacle and labeled “For Future 240V Use.”
    • A condensate drain no more than 2 inches above the base of the installed water heater to allow for natural drainage.
  • A designated space more than 3 feet from the water heater must include:
    • A dedicated 240V branch circuit rated at 30-amp minimum installed, and the blank cover labeled “240V Ready.”
    • A reserved space in the main electrical service panel for a double pole circuit breaker for a future heat pump water heater (HPWH) and labeled “For Future 240V Use.”
    • A dedicated cold-water supply or the cold-water supply shall pass through the dedicated HPWH location just before reaching the gas or propane water heater.
    • The hot water supply pipe coming out of the gas or propane water heater shall be routed first through the designated HPWH location before serving any fixtures.
    • The hot and cold-water piping at the designated HPWH location shall be exposed and readily accessible for future installation of an HPWH.
    • A condensate drain no more than 2 inches above the base of the installed water heater to allow for natural drainage.
A diagram illustrating the requirements for a future heat pump water heater installation in accordance with Section 150(n)1A of the 2025 Energy Code.
A diagram illustrating the requirements for a future heat pump water heater installation in accordance with Section 150(n)1A of the 2025 Energy Code.

See the Blueprint for more information, including articles and frequently asked questions, about the 2025 Energy Code.

Contact

Energy Code Hotline Submission Form
Toll-free in California: 800-772-3300
Outside California: 916-654-5106

For requests to print the 2022 Energy Code contact bsorequests@energy.ca.gov or 916-654-5200