Frequently asked questions about the multifamily electric-ready requirements for the 2025 Energy Code. 

The 2025 Energy Code has electric ready requirements for all newly constructed multifamily buildings when certain natural gas or propane appliances are installed.

Section 160.9(a) of the 2025 Energy Code specifies electric ready requirements apply when gas or propane appliances are installed for space or water heating, cooking, and/or clothes drying.  This includes new mandatory heat pump water heater (HPWH) ready requirements for individual dwelling units and central systems. Heat pump water heater (HPWH) ready requirements include a dedicated receptacle, condensate drain, designated space and ventilation per Section 160.9(e-f). See more details under the sections below.

These requirements do not apply to:  

  • Additions.
  • Alterations.
  • Buildings with all electric appliances installed.

Newly constructed multifamily buildings meeting the following criteria will not trigger these requirements: 

  • Not installing gas or propane appliances for space heating or cooking for individual dwelling units.
  • Clothes dryer locations have no gas or propane plumbing.

The goal of the requirements is to make it more feasible and cost-effective to transition to heat pump and high-efficiency electric appliances in the future.

Section 160.9(b) specifies the electric ready requirements that apply when gas or propane furnaces are installed for space heating for individual dwelling units. Heat pump space heater ready requirements are:

  • A dedicated 240V branch circuit wiring with a minimum 30-amp branch circuit conductor installed within 3 feet from the furnace in accordance with the California Electrical Code, and the blank cover labeled “240V Ready.”
  • A reserved space in the main panel for a double pole circuit breaker for a future heat pump space heater installation labeled “For Future 240V Use.”

Section 160.9(c) specifies the electric ready requirements for gas or propane cooktops installed for individual dwelling units. Electric cooktop ready requirements are:

  • A dedicated 240V branch circuit wiring with a minimum 50-amp branch circuit conductor installed within 3 feet from the cooktop, in accordance with the California Electrical Code, and the blank cover labeled “240V Ready.”
  • A reserved space in the main panel for a double pole circuit breaker for a future electric cooktop installation labeled “For Future 240V Use.”

Section 160.9(d) specifies the electric ready requirements when gas or propane plumbing is installed for clothes dryers that serve individual dwelling units. Electric clothes dryer ready requirements are:

For individual dwelling units: 

  • A dedicated 240V branch circuit wiring with a minimum 30-amp branch circuit conductor installed 3 feet from the clothes dryer location, in accordance with the California Electrical Code, and the blank cover labeled “240V Ready.”
  • A reserved space in the main panel for a double pole circuit breaker for a future electric clothes dryer installation labeled “For Future 240V Use.” 

For common use areas (See Figure 1): 

  • Conductors or raceways shall be installed from the main panel to no more than 3 feet or less from each gas outlet.
  • Capacity shall meet one of the following:
    • Gas flow rates must be determined in accordance with the California Plumbing Code;
    • 24 amps at 208V/240V per clothes dryer;
    • 2.6 kVA for each 10,000 Btu/hr. of rated gas input or gas pipe capacity; or
    • The electrical power required to provide equivalent functionality of the gas-powered equipment, as calculated and documented by a project participant.
Example of electric ready system configuration for clothes dryers in common use area.
Figure 1: Example of electric ready system configuration for clothes dryers in common use area.

There are new mandatory heat pump water heater (HPWH) ready requirements for individual dwelling units and central systems that apply when gas or propane is installed for water heating.

Individual Heat Pump Water Heater Ready

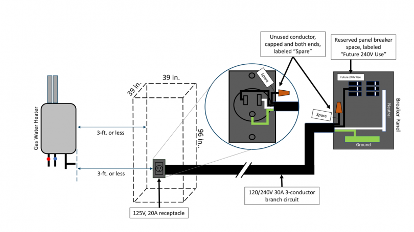
Section 160.9(e) specifies that when gas or propane water heaters serve individual dwelling units, the installations must meet the following criteria (see Figure 2): 

  • A dedicated 125V, 20-amp receptacle connected to the electrical panel with a 120V/240V 3-conductor branch circuit of minimum 30-amp from the water heater and accessible to the water heater with no obstructions, in addition to the following:
    • Both ends of the unused conductor shall be labeled with the word “spare” and be electrically isolated, and
    • A reserved single pole circuit breaker space in the electrical panel adjacent to the circuit breaker for the branch circuit labeled “Future 240V Use.”
  • Construction drawings shall have a designated space at least 39 inches by 39 inches and 96 inches in height for future placement of a heat pump water heater.
  • A condensate drain ≤ 2 inches above the base of the installed water heater to allow for natural drainage without pump assistance.
  • A ventilation method meeting one of the following:
    • The designated space for future heat pump water heater must have a minimum volume of 700 cubic feet.
    • If the designated space for the future heat pump water heater is designed to vent indoors, it shall vent to an interior communicating space of 700 cubic feet or greater through:
      • Fully fixed louvered doors made of a single layer of fixed slats with a minimum total net free area (NFA) of 250 square inches, or
      • Two permanent openings of equal area having a minimum total NFA of 250 square inches located within 12 inches from the top and bottom enclosure, or
      • Two 8-inch ducts to a communicating space.
    • If the designated space for the future heat pump water heater area is designed to vent to the exterior of the building, it shall vent through:
      • Fully fixed louvered doors made of a single layer of fixed slats with a minimum total NFA of 250 square inches, or
      • Two permanent openings of equal area having a minimum total NFA of 250 square inches located within 12 inches from the top and bottom enclosure, or
      • Two 8-inch capped ducts where all ducts crossing the pressure boundary shall have a minimum insulation level of R-6 and ducts, connections, and building penetrations shall be sealed.
A diagram illustrating the requirements for a future heat pump water heater installation in accordance with Section 150(n)1A of the 2025 Energy Code.
Figure 2: Example of electric ready system configuration for a future installation of heat pump water heater when using gas or propane water heaters to serve individual dwelling units.

Central Heat Pump Water Heater Ready

Central water heating systems serve multiple dwelling units. Section 160.9(f) specifies the electric ready requirements that apply when gas or propane central water heating systems are installed. Joint Appendix JA 15 specifies sizing for electric ready infrastructure to be calculated and documented by the responsible person. Requirements are: 

  • The input capacity of the gas or propane water heating system shall be determined by the sum of the input gas or propane capacity for all water heating devices associated with each gas or propane water heating system.
  • Reserved space shall include:
    • Space for a heat pump must at a minimum include space for service clearances and air flow clearances and meet either:
      • The space needed for a heat pump water heater system that meets the total building hot water demand as calculated and recorded by the project responsible person, or
      • The reserved space meets the Joint Appendix JA15.2.1 requirements.
    • Space for tanks must at a minimum include space for service clearances and meet either:
      • The space needed for a heat pump water heater system that meets the total building hot water demand calculated and recorded by the project responsible person, or
      • The reserved space meets the Joint Appendix JA15.2.2 requirements.
  • Ventilation shall be provided by meeting one of the following:
    • Physical space reserved for the heat pump shall be located outside, or
    • A pathway must be reserved for future routing of supply and exhaust air via ductwork from the reserved heat pump location to a suitable outdoor location. Building envelope penetrations for louvers and ducts must be planned and identified for future use. Reserved pathway and penetrations through the building envelope shall be sized to meet the ventilation requirements for either:
      • A heat pump water heater system that meets the total building hot water demand as calculated and recorded by the project responsible person, or
      • The Joint Appendix JA15.2.3 requirements.
  • An approved receptacle for condensate drainage sized in accordance with the California Plumbing Code shall be installed within 3 feet of the reserved heat pump location to an approved discharge location sized in accordance with the California Plumbing Code.
    • The condensate drainage system shall be sized to serve a heat pump water heater that meets either:
      • The total building hot water demand as calculated and recorded by the project responsible person, or
      • The Joint Appendix JA15.2.4 requirements.
  • Physical space shall be reserved on the bus system of the main switchboard or distribution board to serve the future heat pump water heater system, along with the heat pump and temperature maintenance tanks. The physical space reserved shall be capable of providing adequate power to the future heat pump water heater and temperature maintenance tanks as follows:
    • Space for the heat pump must meet either:
      • The electrical power required for a heat pump water heater system that meets the total building hot water demand as calculated and recorded by the project responsible person, or
      • The Joint Appendix JA15.2.5 requirements.
    • Space for the temperature maintenance tank must meet either:
      • The electrical power required for a heat pump water heater system that meets the total building hot water demand as calculated and recorded by the project responsible person, or
      • The Joint Appendix JA15.2.5 requirements.

To demonstrate compliance with Electric Readiness the following Compliance Documents are needed for multifamily buildings three habitable stories or fewer:

Certificate of Compliance: LMCC-ELC-01-E
Certificate of Installation: LMCI-ELC-01-E

To demonstrate compliance with Electric Readiness the following compliance documents are needed for multifamily buildings with four or more habitable stories:

Certificate of Compliance: NRCC-ELC-01-E
Certificate of Installation: NRCI-ELC-01-E

See the Blueprint for more information, including articles and frequently asked questions, about the 2025 Energy Code.

Contact

Energy Code Hotline Submission Form
Toll-free in California: 800-772-3300
Outside California: 916-654-5106

For requests to print the 2022 Energy Code contact bsorequests@energy.ca.gov or 916-654-5200